资料来源:中华人民共和国住房和城乡建设部
版权归原作者所有
如有侵权请联系删除

交通运输部关于发布《内河航运工程造价指标》的公告
现发布《内河航运工程造价指标》(以下统称《指标》)。《指标》为水运工程建设推荐性行业标准,标准代码为JTS/T 272-2—2023,自2024年2月1日起施行。
《指标》由交通运输部水运局负责管理和解释。实施过程中具体使用问题,由主编单位交通运输水运工程造价定额中心答复。《指标》文本可在交通运输部政府网站水路运输建设综合管理信息系统“水运工程行业标准”专栏(mwtis.mot.gov.cn/syportal/sybz)查询和下载。
特此公告。
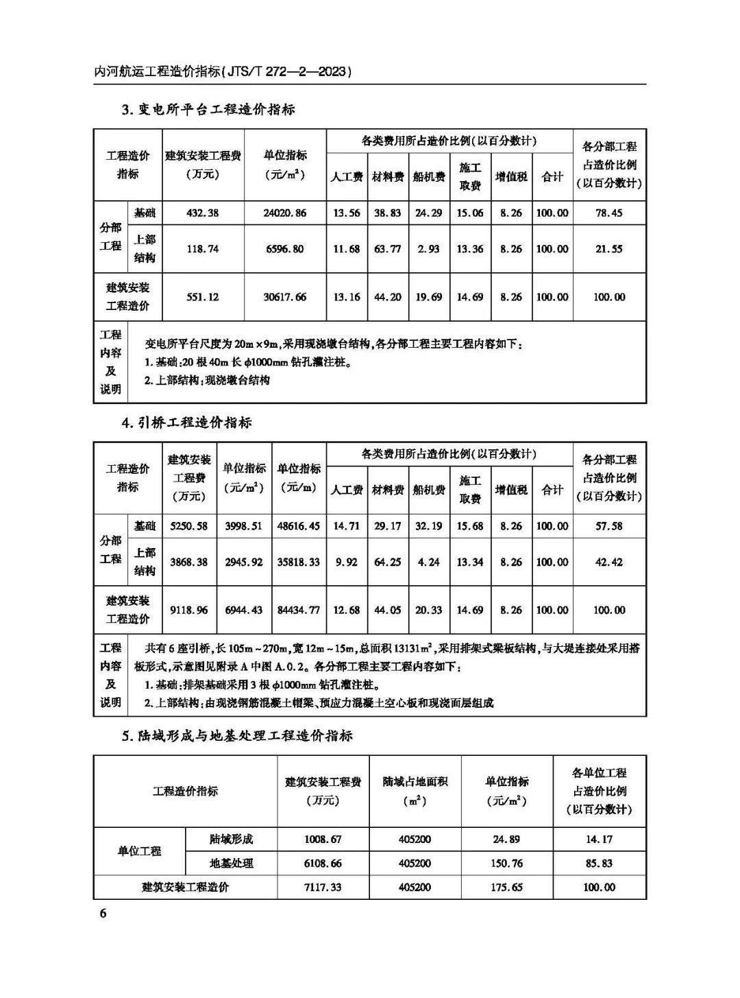
部分截图如下,详细内容请点击附件进行查看。附件:内河航运工程造价指标JTS-T 272-2-2023.pdf
交通运输部
2023年12月15日










