资料来源:济南市住房和城乡建设局
版权归原作者所有
如有侵权请联系删除

济建设字〔2023〕43号
发布日期:2023-09-19
各区县住房城乡建设局、济南新旧动能转换起步区管委会建设管理部、济南高新区管委会建设管理部、市南部山区管委会规划发展局,各有关单位:
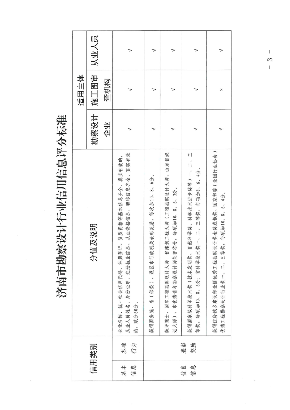
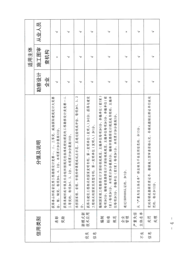
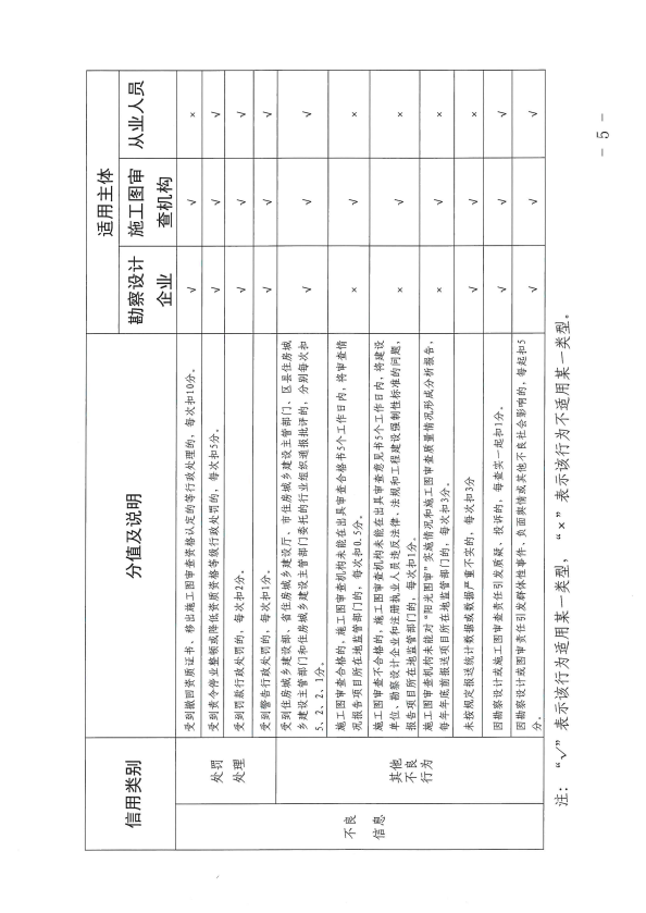
为规范我市勘察设计市场秩序,构建以信用为基础的市场监管机制,我局根据印发的《济南市勘察设计行业及从业人员信用评价管理办法》(济建发〔2023〕31号)有关评分细则要求,研究制定了《济南市勘察设计行业信用信息评分标准》,现印发你们,请遵照执行。
济南市住房和城乡建设局
2023年9月18日
(此件公开发布)





